- 链条介绍
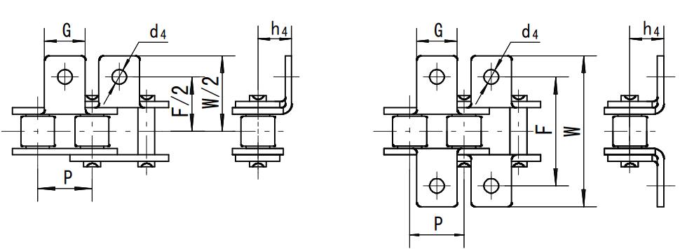
- 链条尺寸规格参数

| 链号 Chain No. | P mm | G mm | F mm | W mm | h4 mm | d4 mm |
| 35SS | 9.525 | 7.9 | 19 | 28.6 | 6.35 | 3.4 |
| 40SS | 12.7 | 9.5 | 25.4 | 35.2 | 7.9 | 3.4 |
| 50SS | 15.875 | 12.7 | 31.75 | 46.2 | 10.3 | 5.5 |
| 60SS | 19.05 | 15.9 | 38.1 | 55.6 | 11.9 | 5.5 |
| 80SS | 25.4 | 19.1 | 50.8 | 64.8 | 15.9 | 6.8 |
| 100SS | 31.75 | 25.4 | 63.5 | 87.3 | 19.8 | 9.2 |
| 120SS | 38.1 | 28.6 | 76.2 | 108.5 | 23 | 9.8 |
| *06BSS | 9.525 | 8 | 19.04 | 27 | 6.5 | 3.5 |
| 08BSS | 12.7 | 9.5 | 25.4 | 36.4 | 8.9 | 4.5 |
| 10BSS | 15.875 | 14.3 | 31.75 | 44.6 | 10.31 | 5.3 |
| 12BSS | 19.05 | 16 | 38.1 | 52.4 | 13.46 | 6.4 |
| 16BSS | 25.4 | 19.1 | 50.8 | 72.6 | 15.88 | 6.4 |
| 20BSS | 31.75 | 35 | 63.5 | 100.5 | 19.80 | 9 |
*直板链




