- 链条介绍
- 链条尺寸规格参数
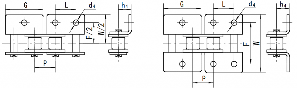
不锈钢滚子链(传动用)型的链板上安装了附件(WA1、WA2、WK1、WK2)的链条。
链条节距较小,较小零部件可用小节距链输送,适用于较短距离的输送。
高速、顺畅、静音地运行。
可配套使用不锈钢滚子链轮进行传动、输送。

| 链号 Chain No. | P mm | G mm | L mm | F mm | W mm | h4 mm | d4 mm |
| 35SS | 9.525 | 17.32 | 9.525 | 19 | 28.6 | 6.35 | 2.8 |
| 40SS | 12.7 | 23 | 12.7 | 25.4 | 35.6 | 7.9 | 3.4 |
| 50SS | 15.875 | 28.8 | 15.875 | 31.75 | 46.8 | 10.3 | 5.5 |
| 60SS | 19.05 | 34.65 | 19.05 | 38.1 | 56.4 | 11.9 | 5.5 |
| 80SS | 25.4 | 45.9 | 25.4 | 50.8 | 73.2 | 15.9 | 6.8 |
| 100SS | 31.75 | 57.65 | 31.75 | 63.5 | 89.8 | 19.8 | 9.2 |
| 120SS | 38.1 | 69.3 | 38.1 | 76.2 | 108.8 | 23 | 9.8 |
| 08BSS | 12.7 | 24 | 12.7 | 25.4 | 36.4 | 8.9 | 4.3 |
| 10BSS | 15.875 | 29.58 | 15.875 | 31.8 | 44.6 | 10.31 | 5.3 |
| 12BSS | 19.05 | 34.05 | 19.05 | 38.1 | 52.4 | 13.46 | 6.4 |
| 16BSS | 25.4 | 46.4 | 25.4 | 50.8 | 72.6 | 15.88 | 6.4 |
| 20BSS | 31.75 | 58.1 | 31.75 | 63 | 100.5 | 19.80 | 9 |



