- 链条介绍
- 链条尺寸规格参数
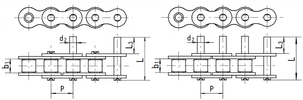
将滚子链条销轴延长,仅限于在外链接两销子之间安装夹具。
延长销尺寸(长度、直径)可根据客户要求订做。
链条本体和延长销均采用不锈钢材质。

| 链号 Chain No. | P mm | b1 mm | d2 mm | L3 mm | L mm |
| 35SS | 9.525 | 4.77 | 3.58 | 9.5 | 20.8 |
| 40SS | 12.7 | 7.85 | 3.96 | 9.5 | 25.1 |
| 50SS | 15.875 | 9.40 | 5.08 | 11.9 | 31.3 |
| 60SS | 19.05 | 12.57 | 5.94 | 14.3 | 38.6 |
| 80SS | 25.4 | 15.75 | 7.92 | 19.1 | 50.3 |
| 100SS | 31.75 | 18.90 | 9.53 | 23.8 | 61.8 |
| 120SS | 38.1 | 25.22 | 11.1 | 28.6 | 76.4 |
| 08BSS | 12.7 | 7.75 | 4.45 | 9.5 | 25.1 |
| 10BSS | 15.875 | 9.65 | 5.08 | 11.9 | 30.1 |
| 12BSS | 19.05 | 11.68 | 5.72 | 14.3 | 35.4 |
| 16BSS | 25.4 | 17.02 | 8.28 | 19.1 | 53.0 |


