- 链条介绍
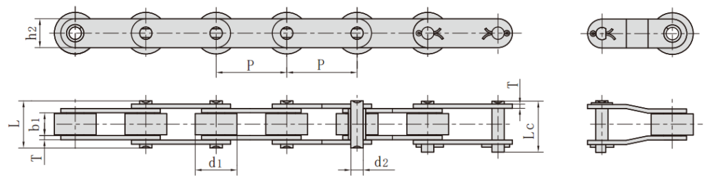
- 链条尺寸规格参数
双节距输送链是由短节距精密滚子链派生出来的,它的节距是后者的一倍,其它结构形式与零件尺寸相同。与短节距精密滚子链相比,它是一种轻型链条,链板采用直板,滚子有大小区分,适用于物料搬运,输送速度较快,输送中心距离更长的场合。
采用不锈钢材质,可适用于:制糖厂(卡许山药升降机)、化工厂、海水鱼类加工厂、冷冻厂、污水处理厂、食品加工厂,其它严重腐蚀环境
特点:
1、腐蚀,磨蚀环境下的卓越表现。
2、与可锻铸铁链的互换性。
3、是比可锻铸铁链更坚强的材料,强度更大,使用寿命更长
4、高镍铬不锈钢。


| 链号 | 节距 | 滚子直径 | 内节内宽 | 销轴直径 | 销轴长度 | 内链板高度 | 链板厚度 | 破断载荷 | 每米长重 | |
| Chain No. | P | d1 max | b1 min | d2 max | d3 max | Lc max | h2 max | T max | Q min | q |
| mm | mm | mm | mm | mm | mm | mm | mm | kN/LB | kg/m | |
| C2040SS C2042SS | 25.4 | 7.95 15.88 | 7.85 | 3.96 | 16.6 | 17.8 | 12.0 | 1.50 | 9.6/21.82 | 0.51 0.85 |
| C2040HSS | 25.4 | 7.95 | 7.85 | 3.96 | 18.8 | 19.9 | 12.0 | 2.03 | 9.6/21.82 | 0.66 |
| C208BSS C208BLSS | 25.4 | 8.51 15.88 | 7.75 | 4.45 | 16.7 | 18.2 | 11.8 | 1.60 | 12/2727 | 0.56 0.90 |
| C2050SS C2052SS | 31.75 | 10.16 19.05 | 9.40 | 5.08 | 20.7 | 22.2 | 15.0 | 2.03 | 15.2/3455 | 0.79 1.29 |
| C2060SS C2062SS | 38.1 | 11.91 22.23 | 12.57 | 5.94 | 25.9 | 27.7 | 18.0 | 2.42 | 21.7/4932 | 1.13 1.63 |
| C2060HSS C2062HSS | 38.1 | 11.91 22.23 | 12.57 | 5.94 | 29.2 | 31.6 | 18.0 | 3.25 | 21.7/4932 | 1.46 2.10 |
| C2080SS C2082SS | 50.8 | 15.88 28.58 | 15.75 | 7.92 | 32.7 | 36.5 | 24.0 | 3.25 | 38.9/8841 | 2.11 3.16 |
| C2080HSS C2082HSS | 50.8 | 15.88 28.58 | 15.75 | 7.92 | 36.2 | 39.4 | 24.0 | 4.00 | 38.9/8841 | 2.57 3.63 |
| C2100SS C2102SS | 63.5 | 19.05 39.67 | 18.90 | 9.53 | 40.4 | 44.7 | 30.0 | 4.00 | 60/13636 | 3.05 4.89 |
| C2100HSS C2102HSS | 63.5 | 19.05 39.67 | 18.90 | 9.53 | 43.6 | 46.9 | 30.0 | 4.80 | 60/13636 | 3.61 5.45 |


